Муфты вводные МТ IP40 ГОФРОМАТИК
Акционерное общество
«ЗАВОД ЭЛЕКТРОТЕХНИЧЕСКОЙ АРМАТУРЫ»
Тел.: 8 800 201-23-42 (многоканальный) e-mail: nzeta@nzeta.ru / nzeta.ru
630501, Новосибирская обл., р.п.Краснообск, а/я 130
|
|
Муфта вводная |
|
|
-60°С ~ 150°С |
|
|
IP40 |
|
|
УХЛ 2 |
|
|
045511402211 |
|
|
ТУ 24.20.00-069-99856433-2024 |
|
|
Оцинкованная сталь |
|
|
ГОФРОМАТИК |
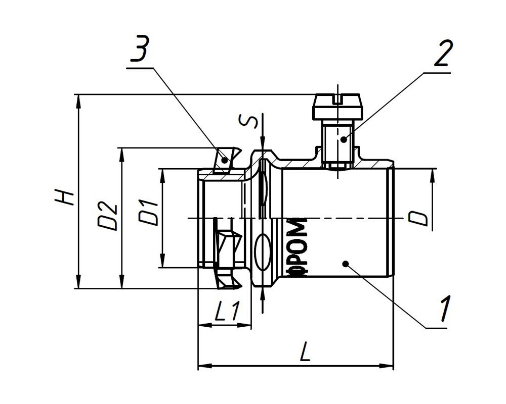
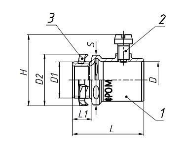
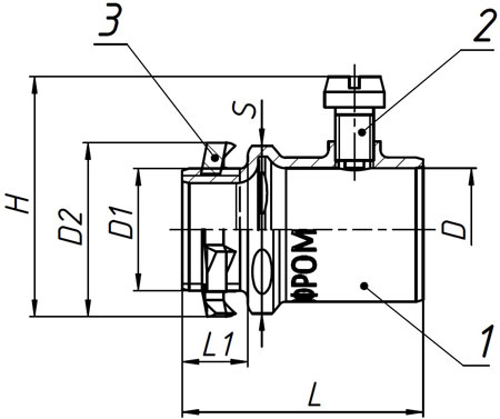
| Артикул | Тип изделия | Резьба D1 | Размеры, мм | Упаковка | Узнать цену | |||||
| D | D2 | L1 | L | S | H | |||||
| zeta46001
Артикул
|
М20Т20 IP40
Тип изделия
|
М20х1,5
Резьба D1
|
20
Размер D
|
29
Размер D2
|
8,6
Размер L1
|
34,6
Размер L
|
26
Размер S
|
37
Размер H
|
1890 гр. 1.76 см³ 50шт
Упаковка
|
Узнать цену
|
| zeta46002
Артикул
|
М25Т25 IP40
Тип изделия
|
М25х1,5
Резьба D1
|
25
Размер D
|
35
Размер D2
|
8,6
Размер L1
|
37,2
Размер L
|
32
Размер S
|
43
Размер H
|
1280 гр. 1.52 см³ 25шт
Упаковка
|
Узнать цену
|
| zeta46003
Артикул
|
М32Т32 IP40
Тип изделия
|
М32х1,5
Резьба D1
|
32
Размер D
|
44
Размер D2
|
10,8
Размер L1
|
44,5
Размер L
|
39
Размер S
|
50
Размер H
|
1850 гр. 1.99 см³ 20шт
Упаковка
|
Узнать цену
|
| zeta46004
Артикул
|
М40Т40 IP40
Тип изделия
|
М40х1,5
Резьба D1
|
40
Размер D
|
53
Размер D2
|
14,2
Размер L1
|
54,8
Размер L
|
48
Размер S
|
60
Размер H
|
3623 гр. 6.2 см³ 25шт
Упаковка
|
Узнать цену
|
Муфта вводная МТ IP40 ГОФРОМАТИК является трубной арматурой для присоединения стальной трубы к корпусу. Муфты ГОФРОМАТИК обладают рядом преимуществ, линейка для внутренней разводки со степенью защиты IP40. Фитинги можно использовать многократно, фиксация трубы осуществляется за счет простого, но надежного крепления фиксирующего винта. Оцинкованный корпус фитинга позволяет увеличить срок службы. Обеспечивает надёжный электрический контакт между металлическим корпусом и металлической трубой.
Применение:
Муфта вводная МТ IP40 предназначен для соединения жесткой металлической трубы с корпусом при монтаже кабельной линии.
Преимущества:
- Надёжное соединение
- Наличие заземляющей гайки
- Метрическая резьба
- Широкий температурный диапазон
- Обеспечивает электрический контакт
Состав комплекта:
- 1. Корпус.
- 2. Винт.
- 3. Заземляющая гайка.
Расшифровка обозначения элемента:
